发表日期 : 2020-04-23
工信部发布了《关于调整700MHz频段频率使用规划的通知》,要求将部分原用于广播电视业务的频谱资源重新规划用于移动通信系统。明确将702-798MHz频段频率使用规划调整用于移动通信系统,并将703-743/758-798MHz频段规划用于频分双工(FDD)工作方式的移动通信系统。
而广电获发的是703-743/758-798MHz频段,上下行各40MHz,共计80MHz的带宽,而不是此前业界传的30M*2的带宽。这就意味着,广电可以充分的利用更多的低频优质资源,提升5G网络峰值速率以及用户体验,加速5G建设进程。

从各国已公布的700MHz频段规划方案来看,703-748/758-803MHz方案是使用最广泛、频谱资源利用最为充分的频率规划方案,并支持向5G系统演进。将703-743/758-798MHz频段规划用于FDD方式的移动通信系统,与全球主流规划方案兼容,有利于共享全球产业基础。中国广电700MHz频段提案获得移动通信国际标准组织3GPP采纳列入5G国际标准,成为全球首个5G低频段(Sub-1GHz)大带宽5G国际标准。
5G低频段射频隔离器环行器
由于产品较多,如有未列出的或涉及到产品频率、指标参数、功率、接头形式等方面疑问,请致电或者细询在线客服。
电话: 0755-83748888 0755-25999990
传真: 0755-25999959
邮箱: sales@uiy.com sales@uiy.com.cn
实物图


UIYDI1212B

机械图


UIYDC1212B

机械图


UIYSI12A

机械图


UIYSC12A

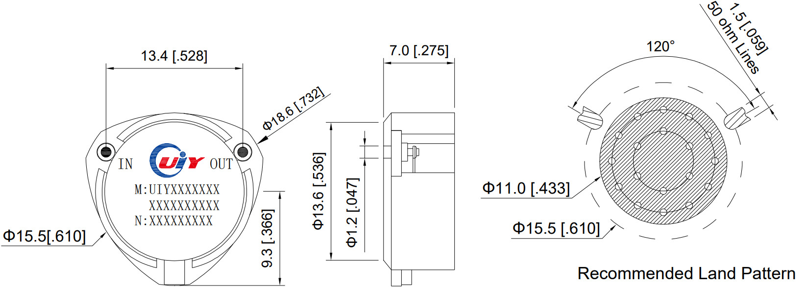
机械图


UIYSI15A

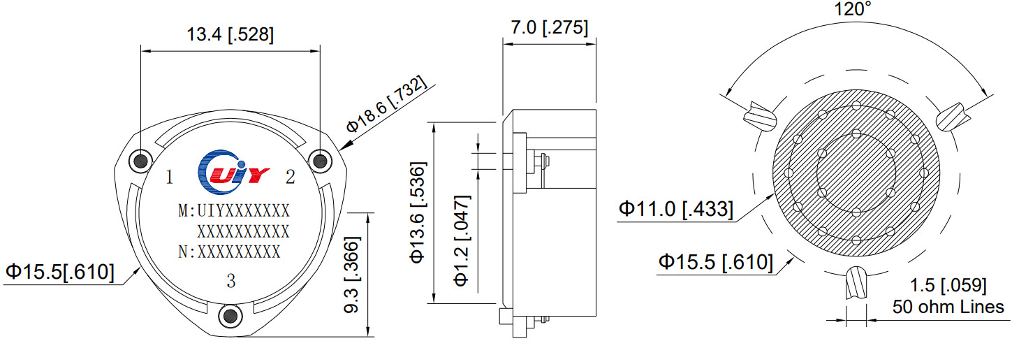
机械图


UIYSC15A

机械图

上一篇:优译2020年五一劳动节放假通知
下一篇:优译5G通信产品推荐